答案和解析请进入题库查看http://zige365.100xuexi.com/Tk/3309.html
(三)背景资料
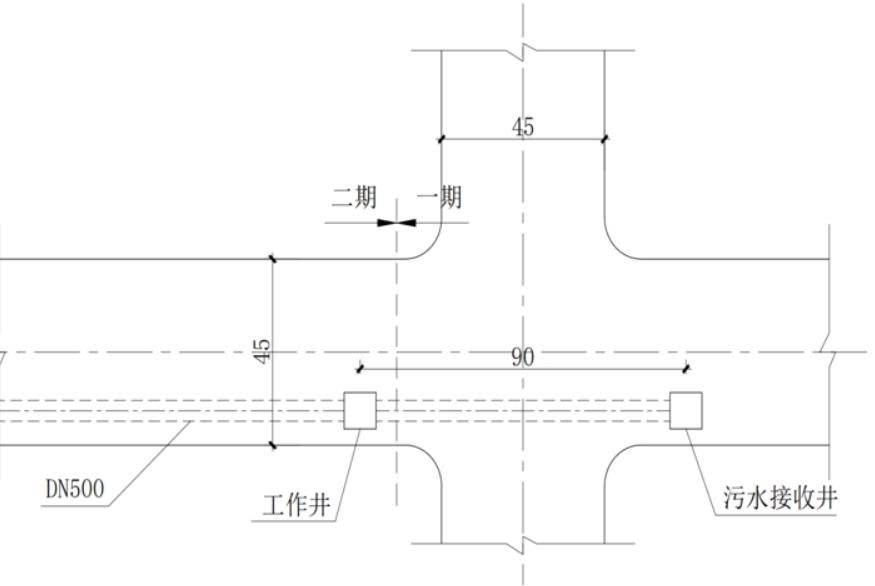
某项目部在10月中旬中标南方某城市道路改造二期工程,合同工期3个月,合同工程量为:道路改诰部分长300m,宽45m,既有水泥混凝土路面加铺沥青混凝土面层与一期路面顺接。新建污水系然DN500深埋4.8m,旧路部分开槽埋管施工,穿越一期平交道口部分采用不开槽施工,该段长90m,接入一期预留的污水接收井,如图3所示。

图3二期污水管道穿越一期平交道口示意图(单位:m)
项目部根据现场情况编制了相应的施工方案:
(1)道路改造部分:对既有水泥混凝土路面进行充分调查后,作出以下结论:①对有破损、脱空的既有水泥混凝土路面,全部挖除,重新浇筑;②新建污水管线采用开挖埋管。
(2)不开槽污水管施工部分:设一座工作井,工作井采用明挖法施工,将一期预留的接收井打开做好接收准备工作。
该方案报监理工程师审批没能通过被退回,要求进行修改后再上报,项目部认真研究后发现以下问题:
(1)既有水泥混凝土路面的破损、脱空部位不应全部挖除,应先进行维修。
(2)施工方案中缺少既有水泥混凝土路面作为道路基层加铺沥青混凝土具体做法。
(3)施工方案中缺少工作井位置选址及专项方案。
问题
1. 对已确定的破损、脱空部位进行基底处理的方法有几种?分别是什么方法?
2.对旧水泥混凝 土路面进行调查时,采用何种手段查明路基的相关 情况?
3. 既有水泥混凝土路面作为道路基层加铺沥青混凝土前,哪些构筑物的高程需做调整?
4.工作井位置应按什么要求选定?


答案和解析请进入题库查看http://zige365.100xuexi.com/Tk/3309.html
(三)背景资料
某项目部在10月中旬中标南方某城市道路改造二期工程,合同工期3个月,合同工程量为:道路改诰部分长300m,宽45m,既有水泥混凝土路面加铺沥青混凝土面层与一期路面顺接。新建污水系然DN500深埋4.8m,旧路部分开槽埋管施工,穿越一期平交道口部分采用不开槽施工,该段长90m,接入一期预留的污水接收井,如图3所示。

图3二期污水管道穿越一期平交道口示意图(单位:m)
项目部根据现场情况编制了相应的施工方案:
(1)道路改造部分:对既有水泥混凝土路面进行充分调查后,作出以下结论:①对有破损、脱空的既有水泥混凝土路面,全部挖除,重新浇筑;②新建污水管线采用开挖埋管。
(2)不开槽污水管施工部分:设一座工作井,工作井采用明挖法施工,将一期预留的接收井打开做好接收准备工作。
该方案报监理工程师审批没能通过被退回,要求进行修改后再上报,项目部认真研究后发现以下问题:
(1)既有水泥混凝土路面的破损、脱空部位不应全部挖除,应先进行维修。
(2)施工方案中缺少既有水泥混凝土路面作为道路基层加铺沥青混凝土具体做法。
(3)施工方案中缺少工作井位置选址及专项方案。
问题
1. 对已确定的破损、脱空部位进行基底处理的方法有几种?分别是什么方法?
2.对旧水泥混凝 土路面进行调查时,采用何种手段查明路基的相关 情况?
3. 既有水泥混凝土路面作为道路基层加铺沥青混凝土前,哪些构筑物的高程需做调整?
4.工作井位置应按什么要求选定?